凯时网站

GLF-C星型方形卸灰阀

GLF-C星型方形卸灰阀
  • 销售:021-32051999
  • 销售:021-32050777
  • 传真:021-66099555

详情介绍

  • 产品介绍
  • 服务承诺
  • 订货流程

星型卸灰阀又名回转给料机,分GLF-C星型方形卸灰阀和GLY-C星型圆形卸灰阀,广泛应用于建材、冶金、化工、电力等部门作为各类除尘设备的灰斗卸料装置,也可作为各种磨机、烘干机、料仓等设备的给卸料装置,适用于干燥粉状和小颗状物料,星型卸灰阀依靠物料的重力作用及给料机工作机构的强制作用,将仓内的物料卸出并连续均匀地喂入下一装置中去。

产品特点

星型卸灰阀主要由壳体、叶轮和端盖组成。采用优良钢板焊接结构,叶片耐磨性强,集传动装置、传动轴、叶片联为一体。具有工作平稳可靠,落料均匀,轻便节能的特点。由于星型卸灰阀的轴承和减速机都是向外凸出,能够避免粉尘挤进轴承和大颗粒物料卡死现象。
工作时由减速电机通过联轴带动叶轮转动,把壳体上部的物料均匀带到下部,由下一个装置把物料送走。所以,星型卸灰阀只能直立安装,而不允许水平安装,给料机的上部要保持一定的料柱。

主要技术参数


适用介质

工作温度

卸灰能力

干燥粉尘

150℃

4.5-160m3/h


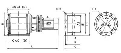
主要外形连接尺寸


A1×A

B1×B

C1×C

DN

D

D1

H

L

n-d

传动功率型号

功率KW

卸灰能力 m3/h

重量kg

150×150

200×200

230×230

150

230

200

250

870

8-Φ13

BLY-15-43

0.75

5

121

200×200

260×260

300×300

200

300

260

300

910

8-Φ17

BLY-15-43

12

178

300×200

360×260

400×300

300

910

8-Φ17

BLY-15-43

18

214




250×250

310×310

350×350

250

350

310

350

910

8-Φ17

BLY-15-43

24

258

300×300

360×360

400×400

300

400

360

450

1140

8-Φ17

BLY-18-59

1.5

30

308

400×300

460×360

500×400

450

1140

10-Φ17

BLY-18-59

40

335




500×300

460×360

600×400

450

1140

12-Φ17

BLY-18-59

50

65




400×400

560×360

500×500

400

500

460

600

1220

12-Φ20

BLY-22-71

3

60

398

500×400

460×460

600×500

600

1220

14-Φ26

BLY-22-71

75

428




500×500

570×570

630×630

500

630

570

760

1400

16-Φ26

BLY-22-71

118

524

700×500

770×570

830×630

760

1400

18-Φ26

BLY-22-71

160

654





良好的品质、优良的服务 凯时网站为你创造更多价值!

“凯时网站阀门”的期望,不断提升服务质量,精益求精,“真诚的服务”是“凯时网站”永恒的主题。“凯时网站”严格按照IS09001-2000 质量体系认证要求,质量严格把关, 责任到人,确保生产、销售、服务的健康运行。加强与用户沟通,竭诚为广大客户提供优良产品,贴心服务。特此我厂做出以下承诺:

产品标准:

产品严格按照中国GBHG 标准和美国API等标准设计、制造、验收。密封面硬度达到国家规定要求,宽度超过国家标准。

售前服务:

产品介绍,技术交流,非标产品设计,疑难解答。

售中服务:

守信合同,及时供货,随时保持与客户联系。 对特殊或复制的产品,我厂安排技术人员对用户进行产品使用、故障排除

售后服务:

1、“凯时网站”牌产品品质期为自出厂起12个月,实行“三包”服务(包退、包换、保修)。

2、产品在使用中我厂定期组织技术、质检人员进行访问,征询用户对产品质量、 使用状况、改进意见等方面的反馈, 以便进一步提高产品质量。

3、对用户投诉质量问题,快速作出反应,售后服务人员在24-36小时(省外48小时)赶赴现场。

4、对售后服务,要求用户填写服务后的质量反馈信息表,并作出鉴定意见,以便提高凯时网站的服务质量。

1、客户如对产品有特殊要求,须在订货合同中提供以下说明:

a、结构长度;

b、连接形式;

c、公称直径、全通径、缩径、管道尺寸;

d、运行介质及温度、压力范围;

e、试验、检验标准及其他要求

2、本厂可根据客户特定要求配置各类驱动装置。

3、如由客户提供确定的阀门类型和型号时,客户应正确说明其型号的含义和要求,在供需双方理解一致的条件下签订合同。

4、期货、订货的客户请先来电函详细告诉所需的阀门型号、规格、数量以及交货时间、地点,并按总的30%预定金或全额货款及时汇入我厂帐户,其余货款待发货前汇入,以便及时安排发货。

订单流程:

1、客户采购清单传真至021-33872143,或来电咨询 021-33872141

2、收到客户采购清单,为客户提供阀门型号选型与报价(价格清单)。

3、具体商定:交货期、特殊要求等事宜。

订货须知:

1、客户如对产品有特殊要求,须在订货合同中提供以下说明:

a、结构长度;

b、连接形式;

c、公称直径、全通径、缩径、管道尺寸;

d、运行介质及温度、压力范围;

e、试验、检验标准及其他要求

2、本厂可根据客户特定要求配置各类驱动装置。

3、如由客户提供确定的阀门类型和型号时,客户应正确说明其型号的含义和要求,在供需双方理解一致的条件下签订合同。

4、期货、订货的客户请先来电函详细告诉所需的阀门型号、规格、数量以及交货时间、地点,并按总的30%预定金或全额货款及时汇入我厂账户, 其余货款待发货前汇入,以便及时安排发货。

售中服务:

守信合同,及时供货,随时保持与客户联系。

对特殊或复制的产品,我厂安排技术人员对用户进行产品使用、故障排除

售后服务:

1、“凯时网站”产品品质期为自出厂起12个月,实行三包服务(包退、包换、保修)。

2、产品在使用中我厂定期组织技术、质检人员进行访问,征询用户对产品质量、使用状况、改进意见等方面的反馈,
以便进一步提高产品质量。

3、对用户投诉质量问题,快速作出反应,售后服务人员在24-36小时(省外48小时)赶赴现场。

4、对售后服务,要求用户填写服务后的质量反馈信息表,并作出鉴定意见,以便提高“凯时网站”的服务质量。

声明

  1. 本文中所有文字、数据、图片均只适用于参考,GLF-C星型方形卸灰阀性能参数、结构尺寸参数、价格等详情,请联系凯时网站,电话:4000-700-665。
  2. 若无说明,本文章均为原创,转载时请注明本文地址,谢谢合作!