凯时网站

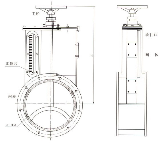
TZW手动升降比例阀

TZW手动升降比例阀
  • 销售:021-32051999
  • 销售:021-32050777
  • 传真:021-66099555

详情介绍

  • 产品介绍
  • 服务承诺
  • 订货流程

升降比例阀是一种含气体、无粘度的小颗粒粉尘、粉料等介质的气体输送管道中,作为调节或切断介质流量的主要控制调节设备,它可广泛地适用于冶金、建材、化工、电站、玻璃等行业除尘系统中。

升降比例阀的阀体、阀板采用优良碳钢焊接而成,并在阀体上设有开度显示器,能正确反映阀板的开启位置,同时没有吹哨孔,便于清扫丝杆上灰尘,从而确保阀门的使用寿命及阀门开启力矩。

主要技术参数

公称压力:0.01Mpa
工作温度:≤150℃
适用介质:含尘气体、空气、烟气、无粘度的小颗粒粉尘、粉料。
介质流速:≤28m/s
调节特性:等百分比
主要零件材料
阀体、阀板:采用优良碳钢焊接
阀板与风道接触面:3Cr13I不锈钢
螺旋丝杆:采用2Cr13

主要外形连接尺寸


公称通径DN

L

D

D1

b

n

d

H

重量kg

200

200

310

280

10

8

14

510

38

220

200

330

300

10

12

14

535

40

250

200

360

330

10

12

14

575

48

260

200

370

340

10

12

14

590

52

280

200

390

360

10

12

14

610

60

300

200

410

380

10

12

14

700

65

320

200

430

400

10

12

14

725

70

340

200

450

420

10

12

14

750

85

350

200

460

430

10

12

14

770

90

360

200

470

440

10

12

14

780

96

380

200

490

460

10

12

14

800

100

400

250

510

480

10

16

14

890

115

420

250

530

500

12

16

14

930

125

450

250

560

530

14

16

18

1010

140

480

250

600

560

14

16

18

1050

180

500

300

620

580

14

16

18

1090

200

520

300

640

600

14

20

18

1110

220

620

350

750

710

14

20

18

1280

240

630

350

760

720

14

20

18

1305

250

680

350

790

750

16

24

18

1380

280

720

350

830

790

16

24

18

1440

320

750

350

870

830

16

24

18

1525

350

850

350

970

930

20

24

18

1675

380

900

350

1020

980

20

24

18

1750

450

950

350

1070

1030

20

28

18

1825

500

1000

400

1120

1080

20

28

20

1950

600

1200

400

1400

1280

20

28

22

2250

800

1250

400

1370

1330

20

28

22

2525

890


良好的品质、优良的服务 凯时网站为你创造更多价值!

“凯时网站阀门”的期望,不断提升服务质量,精益求精,“真诚的服务”是“凯时网站”永恒的主题。“凯时网站”严格按照IS09001-2000 质量体系认证要求,质量严格把关, 责任到人,确保生产、销售、服务的健康运行。加强与用户沟通,竭诚为广大客户提供优良产品,贴心服务。特此我厂做出以下承诺:

产品标准:

产品严格按照中国GBHG 标准和美国API等标准设计、制造、验收。密封面硬度达到国家规定要求,宽度超过国家标准。

售前服务:

产品介绍,技术交流,非标产品设计,疑难解答。

售中服务:

守信合同,及时供货,随时保持与客户联系。 对特殊或复制的产品,我厂安排技术人员对用户进行产品使用、故障排除

售后服务:

1、“凯时网站”牌产品品质期为自出厂起12个月,实行“三包”服务(包退、包换、保修)。

2、产品在使用中我厂定期组织技术、质检人员进行访问,征询用户对产品质量、 使用状况、改进意见等方面的反馈, 以便进一步提高产品质量。

3、对用户投诉质量问题,快速作出反应,售后服务人员在24-36小时(省外48小时)赶赴现场。

4、对售后服务,要求用户填写服务后的质量反馈信息表,并作出鉴定意见,以便提高凯时网站的服务质量。

1、客户如对产品有特殊要求,须在订货合同中提供以下说明:

a、结构长度;

b、连接形式;

c、公称直径、全通径、缩径、管道尺寸;

d、运行介质及温度、压力范围;

e、试验、检验标准及其他要求

2、本厂可根据客户特定要求配置各类驱动装置。

3、如由客户提供确定的阀门类型和型号时,客户应正确说明其型号的含义和要求,在供需双方理解一致的条件下签订合同。

4、期货、订货的客户请先来电函详细告诉所需的阀门型号、规格、数量以及交货时间、地点,并按总的30%预定金或全额货款及时汇入我厂帐户,其余货款待发货前汇入,以便及时安排发货。

订单流程:

1、客户采购清单传真至021-33872143,或来电咨询 021-33872141

2、收到客户采购清单,为客户提供阀门型号选型与报价(价格清单)。

3、具体商定:交货期、特殊要求等事宜。

订货须知:

1、客户如对产品有特殊要求,须在订货合同中提供以下说明:

a、结构长度;

b、连接形式;

c、公称直径、全通径、缩径、管道尺寸;

d、运行介质及温度、压力范围;

e、试验、检验标准及其他要求

2、本厂可根据客户特定要求配置各类驱动装置。

3、如由客户提供确定的阀门类型和型号时,客户应正确说明其型号的含义和要求,在供需双方理解一致的条件下签订合同。

4、期货、订货的客户请先来电函详细告诉所需的阀门型号、规格、数量以及交货时间、地点,并按总的30%预定金或全额货款及时汇入我厂账户, 其余货款待发货前汇入,以便及时安排发货。

售中服务:

守信合同,及时供货,随时保持与客户联系。

对特殊或复制的产品,我厂安排技术人员对用户进行产品使用、故障排除

售后服务:

1、“凯时网站”产品品质期为自出厂起12个月,实行三包服务(包退、包换、保修)。

2、产品在使用中我厂定期组织技术、质检人员进行访问,征询用户对产品质量、使用状况、改进意见等方面的反馈,
以便进一步提高产品质量。

3、对用户投诉质量问题,快速作出反应,售后服务人员在24-36小时(省外48小时)赶赴现场。

4、对售后服务,要求用户填写服务后的质量反馈信息表,并作出鉴定意见,以便提高“凯时网站”的服务质量。

声明

  1. 本文中所有文字、数据、图片均只适用于参考,TZW手动升降比例阀性能参数、结构尺寸参数、价格等详情,请联系凯时网站,电话:4000-700-665。
  2. 若无说明,本文章均为原创,转载时请注明本文地址,谢谢合作!