气/液动三通切换阀
- 销售:021-32051999
- 销售:021-32050777
- 传真:021-66099555
详情介绍
- 产品介绍
- 服务承诺
- 订货流程
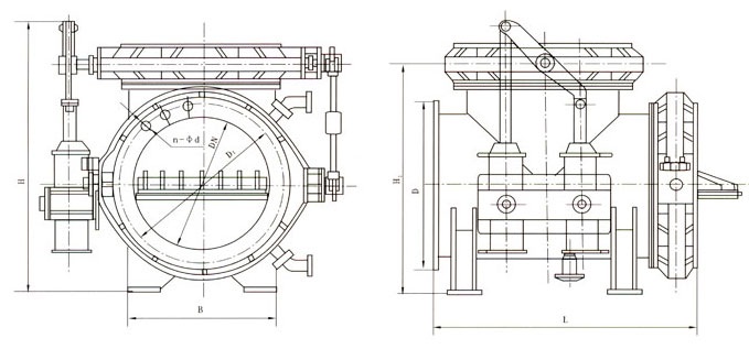
SQD643X/H气动三通切换阀、SQD743X/H液动三通切换阀是一种气动切换的理想设备,是我厂吸取国内外同类产品的新型技术研制而成的,本阀具有结构简单,操作方便,密封可靠,切换准确,使用寿命长,广泛应用在冶金、石化等行业作现场操作或远距离控制。特别适用于钢铁厂转炉煤气回收装置中近制煤气的回收与放散。
本阀主要由三通体和两只密封蝶阀及二只气(油)缸、连杆控制箱组成。
主要性能参数
公称压力 | 0.1Mpa | 适用温度 | SQD6/743X | 蝶阀为橡胶软密封 ≤80℃ ≤120℃ |
密封试验压力 | 0.11Mpa | SQD6/743H | 蝶阀为金属硬密封 ≤350℃ ≤500℃ | |
强度试验压力 | 0.15Mpa | 气源压力 | (气动三通切换阀) 0.4-0.6Mpa | |
启闭切换时间 | 15S | 供油压力 | (液动三通切换阀) 6.3Mpa | |
适用介质 | 含尘气体、烟气、煤气、空气等 | |||

主要外形连接尺寸
DN | D | D1 | L | n-d | H | H1 | B | 重量 |
500 | 645 | 6006 | 1130 | 20-22 | 1620 | 1400 | 420 | 1080 |
600 | 755 | 705 | 1400 | 20-26 | 1740 | 1480 | 520 | 1150 |
800 | 975 | 920 | 1595 | 24-30 | 1867 | 1617 | 720 | 1300 |
900 | 1075 | 1020 | 1671 | 24-30 | 2010 | 1725 | 950 | 1560 |
1000 | 1175 | 1120 | 1617 | 28-30 | 1060 | 1775 | 950 | 1680 |
1200 | 1375 | 1320 | 2255 | 32-30 | 2125 | 1840 | 1250 | 1740 |
1400 | 1575 | 1520 | 2255 | 36-30 | 2500 | 2090 | 1250 | 2000 |
1600 | 1785 | 1730 | 2645 | 40-30 | 2835 | 2365 | 1450 | 2400 |
1800 | 1985 | 1930 | 2645 | 44-30 | 3110 | 2640 | 1450 | 2780 |
2000 | 2185 | 2130 | 2413 | 48-30 | 3340 | 2905 | 2050 | 3180 |
2400 | 2600 | 2540 | 2530 | 56-33 | 3500 | 3100 | 2250 | 4140 |
注:1、液动三通切换阀与气动三通切换阀外形及连接尺寸相同。
2、本阀要按用户要求制造。
良好的品质、优良的服务 凯时网站为你创造更多价值!
“凯时网站阀门”的期望,不断提升服务质量,精益求精,“真诚的服务”是“凯时网站”永恒的主题。“凯时网站”严格按照IS09001-2000 质量体系认证要求,质量严格把关, 责任到人,确保生产、销售、服务的健康运行。加强与用户沟通,竭诚为广大客户提供优良产品,贴心服务。特此我厂做出以下承诺:
产品标准:
产品严格按照中国GB、HG 标准和美国API等标准设计、制造、验收。密封面硬度达到国家规定要求,宽度超过国家标准。
售前服务:
产品介绍,技术交流,非标产品设计,疑难解答。
售中服务:
守信合同,及时供货,随时保持与客户联系。 对特殊或复制的产品,我厂安排技术人员对用户进行产品使用、故障排除
售后服务:
1、“凯时网站”牌产品品质期为自出厂起12个月,实行“三包”服务(包退、包换、保修)。
2、产品在使用中我厂定期组织技术、质检人员进行访问,征询用户对产品质量、 使用状况、改进意见等方面的反馈, 以便进一步提高产品质量。
3、对用户投诉质量问题,快速作出反应,售后服务人员在24-36小时(省外48小时)赶赴现场。
4、对售后服务,要求用户填写服务后的质量反馈信息表,并作出鉴定意见,以便提高凯时网站的服务质量。
1、客户如对产品有特殊要求,须在订货合同中提供以下说明:
a、结构长度;
b、连接形式;
c、公称直径、全通径、缩径、管道尺寸;
d、运行介质及温度、压力范围;
e、试验、检验标准及其他要求
2、本厂可根据客户特定要求配置各类驱动装置。
3、如由客户提供确定的阀门类型和型号时,客户应正确说明其型号的含义和要求,在供需双方理解一致的条件下签订合同。
4、期货、订货的客户请先来电函详细告诉所需的阀门型号、规格、数量以及交货时间、地点,并按总的30%预定金或全额货款及时汇入我厂帐户,其余货款待发货前汇入,以便及时安排发货。
订单流程:
1、客户采购清单传真至021-33872143,或来电咨询 021-33872141
2、收到客户采购清单,为客户提供阀门型号选型与报价(价格清单)。
3、具体商定:交货期、特殊要求等事宜。
订货须知:
1、客户如对产品有特殊要求,须在订货合同中提供以下说明:
|
|||||
|
|||||
2、本厂可根据客户特定要求配置各类驱动装置。
|
|||||
3、如由客户提供确定的阀门类型和型号时,客户应正确说明其型号的含义和要求,在供需双方理解一致的条件下签订合同。
|
|||||
4、期货、订货的客户请先来电函详细告诉所需的阀门型号、规格、数量以及交货时间、地点,并按总的30%预定金或全额货款及时汇入我厂账户, 其余货款待发货前汇入,以便及时安排发货。
|
售中服务:
守信合同,及时供货,随时保持与客户联系。
对特殊或复制的产品,我厂安排技术人员对用户进行产品使用、故障排除
售后服务:
1、“凯时网站”产品品质期为自出厂起12个月,实行“三包”服务(包退、包换、保修)。
2、产品在使用中我厂定期组织技术、质检人员进行访问,征询用户对产品质量、使用状况、改进意见等方面的反馈,
以便进一步提高产品质量。
3、对用户投诉质量问题,快速作出反应,售后服务人员在24-36小时(省外48小时)赶赴现场。
4、对售后服务,要求用户填写服务后的质量反馈信息表,并作出鉴定意见,以便提高“凯时网站”的服务质量。
声明 |
|