凯时网站

600X水力电动控制阀

600X水力电动控制阀
  • 销售:021-32051999
  • 销售:021-32050777
  • 传真:021-66099555

详情介绍

  • 产品介绍
  • 服务承诺
  • 订货流程

600X水力电动控阀由主阀、电磁导阀、针阀、球阀、微形过滤器和压力表组成水力控制接管系统。通过电磁导阀可以实现对阀门开启和关闭的遥控。加装附加装置后,可控制开启和关闭的速度。

本产品利用导阀控制阀门的开启和关闭,节省能源。可代替其它阀门大型电动装置。
本系列阀门产品广泛用于高层建筑、生活区等供水管网系统及城市供水工程。

工作原理
当阀门从进口端给水时,水流流过针阀进入主阀控制室,当电磁导阀打开时,控制室内的水经电磁导阀、球阀流出。球阀开度大于针阀开度,主阀控制室内压力很低,主阀处于全开状态。

当电磁导阀关闭时,主阀控制室的水不能流出,控制室升压,推动膜片关闭主阀。

主要技术参数


公称压力(Mpa)

壳体试验压力(MPa)

密封试验压力(MPa)

适用介质

介质温度(℃)

1.0

1.5

1.1

0-80

1.6

2.4

1.76

2.5

3.75

2.75


主要零件材料


零件名称

零件材料

阀体 阀盖

WCB

阀座 阀盘

铜合金

密封圈 O型圈

丁腈橡胶

阀杆

2Cr13

弹簧

50CrVA

针型阀

铜合金

球阀

铜合金

浮球阀

铜合金

微型过滤器

不锈钢


部件列表
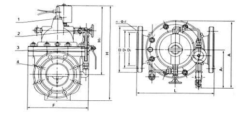
1、电磁向导阀2、针阀3、球阀4、主阀

主要连接尺寸


DN

L

A

A1

H

H1

F

D
mm

D1
mm

D2
mm

n-Φd

mm

mm

mm

mm

mm

mm

PN1.0

PN1.6

PN2.5

PN1.0

PN1.6

PN2.5

PN1.0

PN1.6

PN2.5

PN1.0

PN1.6

PN2.5

20

180

194

136

342

250

116

105

105

105

75

75

75

58

58

56

4-13.5

4-13.5

4-14

25

180

194

136

342

250

116

115

115

115

85

85

85

68

68

65

4-13.5

4-13.5

4-14

32

180

194

136

342

250

116

140

140

140

100

100

100

78

78

76

4-17.5

4-17.5

4-18

40

240

240

155

395

278

170

150

150

150

110

110

110

88

88

84

4-17.5

4-17.5

4-18

50

240

240

155

395

278

170

165

165

165

125

125

125

102

102

99

4-17.5

4-17.5

4-18

65

255

255

165

405

298

180

185

185

185

145

145

145

122

122

118

4-17.5

4-17.5

8-18

80

280

280

175

430

315

210

200

200

200

160

160

160

133

133

132

8-17.5

8-17.5

8-18

100

360

332

195

510

350

275

220

220

235

180

180

190

158

158

156

8-17.5

8-17.5

8-22

125

400

375

220

560

365

310

250

250

270

210

210

220

184

184

184

8-17.5

8-17.5

8-26

150

455

408

230

585

420

355

285

285

300

240

240

250

212

212

211

8-22

8-22

8-26

200

585

485

255

675

450

460

340

340

360

295

295

310

268

268

274

8-22

12-22

12-26

250

650

550

300

730

470

500

395

405

425

350

355

370

320

320

330

12-22

12-26

12-30

300

800

630

340

760

490

580

445

460

485

400

410

430

370

370

389

12-22

12-26

16-30

350

860

735

415

840

526

640

505

520

555

460

470

490

430

430

448

16-22

16-26

16-33

400

960

788

430

910

570

715

565

580

620

515

525

550

482

482

503

16-26

16-30

16-36

450

1075

850

460

1070

610

780

615

640

670

565

585

600

532

550

548

20-26

20-30

20-36

500

1075

905

490

1135

665

830

670

715

730

620

650

660

585

585

609

20-26

20-33

20-36

600

1230

970

530

1270

725

920

780

840

845

725

770

770

685

685

720

20-30

20-36

20-39

700

1650

1050

560

1460

865

980

895

910

960

840

840

875

800

800

820

24-30

24-36

24-42

800

1750

1135

610

1640

975

1050

1015

1025

1085

950

950

990

905

905

928

24-33

24-39

24-48


安装示意图

良好的品质、优良的服务 凯时网站为你创造更多价值!

“凯时网站阀门”的期望,不断提升服务质量,精益求精,“真诚的服务”是“凯时网站”永恒的主题。“凯时网站”严格按照IS09001-2000 质量体系认证要求,质量严格把关, 责任到人,确保生产、销售、服务的健康运行。加强与用户沟通,竭诚为广大客户提供优良产品,贴心服务。特此我厂做出以下承诺:

产品标准:

产品严格按照中国GBHG 标准和美国API等标准设计、制造、验收。密封面硬度达到国家规定要求,宽度超过国家标准。

售前服务:

产品介绍,技术交流,非标产品设计,疑难解答。

售中服务:

守信合同,及时供货,随时保持与客户联系。 对特殊或复制的产品,我厂安排技术人员对用户进行产品使用、故障排除

售后服务:

1、“凯时网站”牌产品品质期为自出厂起12个月,实行“三包”服务(包退、包换、保修)。

2、产品在使用中我厂定期组织技术、质检人员进行访问,征询用户对产品质量、 使用状况、改进意见等方面的反馈, 以便进一步提高产品质量。

3、对用户投诉质量问题,快速作出反应,售后服务人员在24-36小时(省外48小时)赶赴现场。

4、对售后服务,要求用户填写服务后的质量反馈信息表,并作出鉴定意见,以便提高凯时网站的服务质量。

1、客户如对产品有特殊要求,须在订货合同中提供以下说明:

a、结构长度;

b、连接形式;

c、公称直径、全通径、缩径、管道尺寸;

d、运行介质及温度、压力范围;

e、试验、检验标准及其他要求

2、本厂可根据客户特定要求配置各类驱动装置。

3、如由客户提供确定的阀门类型和型号时,客户应正确说明其型号的含义和要求,在供需双方理解一致的条件下签订合同。

4、期货、订货的客户请先来电函详细告诉所需的阀门型号、规格、数量以及交货时间、地点,并按总的30%预定金或全额货款及时汇入我厂帐户,其余货款待发货前汇入,以便及时安排发货。

订单流程:

1、客户采购清单传真至021-33872143,或来电咨询 021-33872141

2、收到客户采购清单,为客户提供阀门型号选型与报价(价格清单)。

3、具体商定:交货期、特殊要求等事宜。

订货须知:

1、客户如对产品有特殊要求,须在订货合同中提供以下说明:

a、结构长度;

b、连接形式;

c、公称直径、全通径、缩径、管道尺寸;

d、运行介质及温度、压力范围;

e、试验、检验标准及其他要求

2、本厂可根据客户特定要求配置各类驱动装置。

3、如由客户提供确定的阀门类型和型号时,客户应正确说明其型号的含义和要求,在供需双方理解一致的条件下签订合同。

4、期货、订货的客户请先来电函详细告诉所需的阀门型号、规格、数量以及交货时间、地点,并按总的30%预定金或全额货款及时汇入我厂账户, 其余货款待发货前汇入,以便及时安排发货。

售中服务:

守信合同,及时供货,随时保持与客户联系。

对特殊或复制的产品,我厂安排技术人员对用户进行产品使用、故障排除

售后服务:

1、“凯时网站”产品品质期为自出厂起12个月,实行三包服务(包退、包换、保修)。

2、产品在使用中我厂定期组织技术、质检人员进行访问,征询用户对产品质量、使用状况、改进意见等方面的反馈,
以便进一步提高产品质量。

3、对用户投诉质量问题,快速作出反应,售后服务人员在24-36小时(省外48小时)赶赴现场。

4、对售后服务,要求用户填写服务后的质量反馈信息表,并作出鉴定意见,以便提高“凯时网站”的服务质量。

声明

  1. 本文中所有文字、数据、图片均只适用于参考,600X水力电动控制阀性能参数、结构尺寸参数、价格等详情,请联系凯时网站,电话:4000-700-665。
  2. 若无说明,本文章均为原创,转载时请注明本文地址,谢谢合作!