凯时网站

Q47H卸灰球阀

Q47H卸灰球阀
  • 销售:021-32051999
  • 销售:021-32050777
  • 传真:021-66099555

详情介绍

  • 产品介绍
  • 服务承诺
  • 订货流程

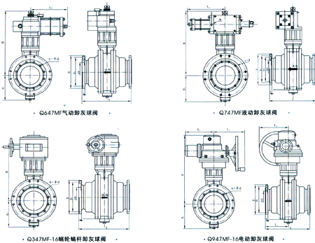
Q47H卸灰球阀/Q947H电动卸灰球阀/Q647H气动卸灰球阀在石油、天然气、煤炭和矿石的开采、提炼加工和管道输送系统中;在化工产品、医药和食品生产种;在水电、火电和核电的电力生产系统中;在城市和工业企业的给排水、供热、和供气系统中;在农田的排灌系统中;在治金生产系统中得以广泛的应用,是一种与生产建设、国防建设和人民生活息息相关的重要机械产品。球阀密闭在各类管路系统种用于截断或接通介质流,使介质按照预定的程序输送到各个指定点。

卸灰球阀 产品特点

1、手动部分可采用钢板压制的手柄或不锈钢铸造的手柄。手柄设有限位结构,在阀门开启、关闭的位置设定限位,当阀门使用在关键装置上时,限位块上设有锁孔可锁定开  关位置避免误操作。手柄上有明显地开和关标识。
2、阀杆采用A182F(1Cr13)整体锻造并调制处理,硬度达到HB220~250。阀杆通过平键或花键或方契与手柄连接,通用性强,拆装方便。阀杆设有防吹出结构。
3、阀门的填料选用编结、柔性石墨密封圈或四氟烯密封圈,使得阀杆在一定的润滑情况下实现可靠的密封。
4、根据需要,球阀可设计成防静电结构,在球体与阀杆、阀杆与阀体之间设置导电弹簧,避免静电打火点燃易燃物质,确保系统安全。
5、密封副形式多样。根据不同工况可选用软密封、硬密封、防火阀座等结构;DN150以下为浮球形式,DN200以下为固定球形式。
6、球阀阀座处可设置辅助密封结构,在阀座和阀杆部位加装注脂阀,紧急情况下可暂时密封,并可根据需要加长阀杆以适宜埋地铺设得场所。

卸灰球阀 主要零件材料

阀体

阀杆

阀球

密封面

垫片

填料

工作温度

适用介质

WCB

1Cr13

1Cr13

1Cr13

司太立合金

本体材料

柔性石墨

不锈钢加柔性石墨

08软钢

F304 F316

柔性石墨

编结石墨

-29-425℃

水、蒸汽、油品

WC6

15CrMo

15CrMo

-29-425℃

WC9

25Cr2MoV

25Cr2MoV

LCB

304

304

-46-354℃

CF8

304

304

-196-600℃

部分酸、碱

CF3

304L

304L

CF8M

316

316

CF3M

316L

316L

卸灰球阀 主要外形尺寸

公称压力

50

65

80

100

125

150

200

250

300

350

400

450

500

系列1L

216

241

283

305

356

394

457

533

610

686

762

864

914

系列2L

-

-

-

-

-

-

500

600

700

800

900

-

1000

H

102

114

127

152

184

219

273

360

395

430

470

550

580

手动

H1

107

125

152

178

300

330

398

495

580

625

670

698

840

E

-

-

-

-

-

-

115

116

171

171

257

257

257

F

-

-

-

-

-

-

350

350

400

420

400

420

400

W

230

400

400

650

1050

1050

600

600

800

800

800

800

800

WT(KG)

12

16

22

35

58

74

205

322

460

576

864

1280

1600

电动

H2

-

-

-

-

-

554

600

652

760

770

830

-

940

L1

-

-

-

-

-

235

235

235

259

400

400

-

410

气动

H3

274

379

389

479

552

666

736

926

1059

1127

1127

1468

1538

L2

270

405

405

576

576

776

776

776

1060

1060

1060

1360

1360


良好的品质、优良的服务 凯时网站为你创造更多价值!

“凯时网站阀门”的期望,不断提升服务质量,精益求精,“真诚的服务”是“凯时网站”永恒的主题。“凯时网站”严格按照IS09001-2000 质量体系认证要求,质量严格把关, 责任到人,确保生产、销售、服务的健康运行。加强与用户沟通,竭诚为广大客户提供优良产品,贴心服务。特此我厂做出以下承诺:

产品标准:

产品严格按照中国GBHG 标准和美国API等标准设计、制造、验收。密封面硬度达到国家规定要求,宽度超过国家标准。

售前服务:

产品介绍,技术交流,非标产品设计,疑难解答。

售中服务:

守信合同,及时供货,随时保持与客户联系。 对特殊或复制的产品,我厂安排技术人员对用户进行产品使用、故障排除

售后服务:

1、“凯时网站”牌产品品质期为自出厂起12个月,实行“三包”服务(包退、包换、保修)。

2、产品在使用中我厂定期组织技术、质检人员进行访问,征询用户对产品质量、 使用状况、改进意见等方面的反馈, 以便进一步提高产品质量。

3、对用户投诉质量问题,快速作出反应,售后服务人员在24-36小时(省外48小时)赶赴现场。

4、对售后服务,要求用户填写服务后的质量反馈信息表,并作出鉴定意见,以便提高凯时网站的服务质量。

1、客户如对产品有特殊要求,须在订货合同中提供以下说明:

a、结构长度;

b、连接形式;

c、公称直径、全通径、缩径、管道尺寸;

d、运行介质及温度、压力范围;

e、试验、检验标准及其他要求

2、本厂可根据客户特定要求配置各类驱动装置。

3、如由客户提供确定的阀门类型和型号时,客户应正确说明其型号的含义和要求,在供需双方理解一致的条件下签订合同。

4、期货、订货的客户请先来电函详细告诉所需的阀门型号、规格、数量以及交货时间、地点,并按总的30%预定金或全额货款及时汇入我厂帐户,其余货款待发货前汇入,以便及时安排发货。

订单流程:

1、客户采购清单传真至021-33872143,或来电咨询 021-33872141

2、收到客户采购清单,为客户提供阀门型号选型与报价(价格清单)。

3、具体商定:交货期、特殊要求等事宜。

订货须知:

1、客户如对产品有特殊要求,须在订货合同中提供以下说明:

a、结构长度;

b、连接形式;

c、公称直径、全通径、缩径、管道尺寸;

d、运行介质及温度、压力范围;

e、试验、检验标准及其他要求

2、本厂可根据客户特定要求配置各类驱动装置。

3、如由客户提供确定的阀门类型和型号时,客户应正确说明其型号的含义和要求,在供需双方理解一致的条件下签订合同。

4、期货、订货的客户请先来电函详细告诉所需的阀门型号、规格、数量以及交货时间、地点,并按总的30%预定金或全额货款及时汇入我厂账户, 其余货款待发货前汇入,以便及时安排发货。

售中服务:

守信合同,及时供货,随时保持与客户联系。

对特殊或复制的产品,我厂安排技术人员对用户进行产品使用、故障排除

售后服务:

1、“凯时网站”产品品质期为自出厂起12个月,实行三包服务(包退、包换、保修)。

2、产品在使用中我厂定期组织技术、质检人员进行访问,征询用户对产品质量、使用状况、改进意见等方面的反馈,
以便进一步提高产品质量。

3、对用户投诉质量问题,快速作出反应,售后服务人员在24-36小时(省外48小时)赶赴现场。

4、对售后服务,要求用户填写服务后的质量反馈信息表,并作出鉴定意见,以便提高“凯时网站”的服务质量。

声明

  1. 本文中所有文字、数据、图片均只适用于参考,Q47H卸灰球阀性能参数、结构尺寸参数、价格等详情,请联系凯时网站,电话:4000-700-665。
  2. 若无说明,本文章均为原创,转载时请注明本文地址,谢谢合作!