凯时网站

Q41F软密封球阀

Q41F软密封球阀
  • 销售:021-32051999
  • 销售:021-32050777
  • 传真:021-66099555

详情介绍

  • 产品介绍
  • 服务承诺
  • 订货流程

Q41F软密封球阀不仅结构简单、密封性能好,而且在一定的公称通经范围内体积较小、重量轻、材料耗用少、安装尺寸小,并且驱动力矩小,操作简便、易实现快速启闭,是近十几年来发展较快的阀门品种之一。软密封球阀是由旋塞阀演变而来的,它的启闭件作为一个球体,利用球体绕阀杆的轴线旋转90°实现开启和关闭的目的。软密封球阀在管道上主要用于切断、分配和改变介质流动方向,在化工产品、医药和食品经营种;在水电、火电和核电的电力经营系统中;在城市和工业企业的给排水、供热、和供气系统中;在农田的排灌系统中;在治金经营系统中得以广泛的应用,是一种与经营建设、国防建设和人民生活息息相关的重要机械产品。手动软密封球阀密闭在各类管路系统种用于截断或接通介质流,使介质按照预定的程序输送到各个指定点。

软密封球阀产品特点

(1)流体阻力小,其阻力系数与同长度的管段相等。
(2)结构简单、体积小、重量轻。
(3)紧密可靠,目前球阀的密封面材料广泛使用塑料、密封性好,在真空系统中也已广泛使用。
(4)操作方便,开闭迅速,从全开到全关只要旋转90°,便于远距离的控制。
(5)维修方便,球阀结构简单,密封圈一般都是活动的,拆卸更换都比较方便。
(6)在全开或全闭时,球体和阀座的密封面与介质隔离,介质通过时,不会引起阀门密封面的侵蚀。
(7)适用范围广,通径从小到几毫米,大到几米,从高真空到高压力都可应用。 球旋转90度时,在进、出口处应全部呈现球面,从而截断流动。

软密封球阀 主要零件材料

序号

零件名称

国标材质

美标材质

1

阀体

WCB

A216-WCB

2

密封圈

PTFE

PTFE

3

球体

1Cr18Ni9Ti

SS304

4

螺母

35

A194-2H

5

螺柱

35CrMoA

A193-B7

6

石体

WCB

A216-WCB

7

垫片

柔性石墨+不锈钢

B12.10-304/F.G

8

填料

PTFE

PTFE

9

填料压盖

WCB

A216-WCB

0

定位片

25

A105

11

挡圈

65Mn

AISI 1066

12

手柄

K33

A47-667 Gr.32510

13

阀杆

1Cr33

A276-410

14

螺钉

35

A193-B7

15

止推垫片

PTFE

PTFE

软密封球阀 技术规范

设计依据

国标系列

美标系列

设计标准

GB/T12237

AP16D

ANSI B16.34

法兰连接结构长度

GB/T12221

AP16D

ANSI B16.10

结构长度焊接

GB/T15188.1

AP16D

ANSI B16.10

连接法兰

GB/T9113
JB/T79
Hg20592

ANSI B16.5、B16.47

对焊端

GB/T12224

ASNI B16.25

试验和检验

GB/T9092

AP16D

AP1598

软密封球阀 性能规范

压力等级

试验压力(MPa)

公称压力(PN)

磅级(Class)

壳体试验

密封试验

1.0

-

1.5

1.1

1.6

-

2.5

1.76

2.5

-

3.8

2.75

4.0

-

6.0

4.4

6.4

-

9.6

7.04

-

150

3.0

2.2

-

300

7.6

5.6

-

600

15.0

11.0

-

10K

2.4

1.5

-

20K

5.8

4.0

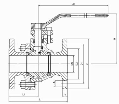
软密封球阀 主要外形尺寸

PN1.6MPa外形尺寸

公称通径DN

15

20

25

32

40

50

65

80

100

125

150

200

L

130

140

150

165

180

200

220

250

280

320

360

400

H

59

63

75

85

95

107

142

152

178

252

272

342

W

130

130

160

180

230

230

400

400

650

1050

1050

1410

Wt(Kg)

2.5

3

5

6

7

10

15

19

33

58

93

160

法兰连接尺寸

GB/T9113、JB/T79、HG/T20594

PN2.5MPa外形尺寸

公称通径DN

15

20

25

32

40

50

65

80

100

125

150

200

L

130

140

150

165

180

200

220

250

320

400

400

550

H

59

63

75

97

107

142

152

178

252

272

342

345

W

130

130

160

230

230

400

400

700

1100

1100

1500

1500

Wt(Kg)

2.5

3

5

6

7.5

10

15

20

33

60

93

175

法兰连接尺寸

GB/T9113、JB/T79、HG/T20594

PN4.0MPa外形尺寸

公称通径DN

15

20

25

32

40

50

65

80

100

125

150

200

L

130

140

150

180

200

220

250

280

320

400

400

400

H

59

63

75

85

95

107

142

152

178

252

272

342

W

130

130

160

230

230

400

400

700

1100

1100

1500

1500

Wt(Kg)

3

4

5

7

9

12

18

28

46

75

106

190

法兰连接尺寸

GB/T9113、JB/T79、HG/T20594

PN6.4MPa外形尺寸

公称通径DN

15

20

25

32

40

50

65

80

100

125

150

200

L

165

190

216

229

241

292

330

356

432

508

559

660

H

59

63

75

97

107

142

152

178

252

272

305

398

W

130

130

160

230

230

400

400

700

1100

1100

1500

1800

Wt(Kg)

6.5

7

8

12

14

18

28

40

65

98

140

250

法兰连接尺寸

GB/T9113、JB/T79、HG/T20594

良好的品质、优良的服务 凯时网站为你创造更多价值!

“凯时网站阀门”的期望,不断提升服务质量,精益求精,“真诚的服务”是“凯时网站”永恒的主题。“凯时网站”严格按照IS09001-2000 质量体系认证要求,质量严格把关, 责任到人,确保生产、销售、服务的健康运行。加强与用户沟通,竭诚为广大客户提供优良产品,贴心服务。特此我厂做出以下承诺:

产品标准:

产品严格按照中国GBHG 标准和美国API等标准设计、制造、验收。密封面硬度达到国家规定要求,宽度超过国家标准。

售前服务:

产品介绍,技术交流,非标产品设计,疑难解答。

售中服务:

守信合同,及时供货,随时保持与客户联系。 对特殊或复制的产品,我厂安排技术人员对用户进行产品使用、故障排除

售后服务:

1、“凯时网站”牌产品品质期为自出厂起12个月,实行“三包”服务(包退、包换、保修)。

2、产品在使用中我厂定期组织技术、质检人员进行访问,征询用户对产品质量、 使用状况、改进意见等方面的反馈, 以便进一步提高产品质量。

3、对用户投诉质量问题,快速作出反应,售后服务人员在24-36小时(省外48小时)赶赴现场。

4、对售后服务,要求用户填写服务后的质量反馈信息表,并作出鉴定意见,以便提高凯时网站的服务质量。

1、客户如对产品有特殊要求,须在订货合同中提供以下说明:

a、结构长度;

b、连接形式;

c、公称直径、全通径、缩径、管道尺寸;

d、运行介质及温度、压力范围;

e、试验、检验标准及其他要求

2、本厂可根据客户特定要求配置各类驱动装置。

3、如由客户提供确定的阀门类型和型号时,客户应正确说明其型号的含义和要求,在供需双方理解一致的条件下签订合同。

4、期货、订货的客户请先来电函详细告诉所需的阀门型号、规格、数量以及交货时间、地点,并按总的30%预定金或全额货款及时汇入我厂帐户,其余货款待发货前汇入,以便及时安排发货。

订单流程:

1、客户采购清单传真至021-33872143,或来电咨询 021-33872141

2、收到客户采购清单,为客户提供阀门型号选型与报价(价格清单)。

3、具体商定:交货期、特殊要求等事宜。

订货须知:

1、客户如对产品有特殊要求,须在订货合同中提供以下说明:

a、结构长度;

b、连接形式;

c、公称直径、全通径、缩径、管道尺寸;

d、运行介质及温度、压力范围;

e、试验、检验标准及其他要求

2、本厂可根据客户特定要求配置各类驱动装置。

3、如由客户提供确定的阀门类型和型号时,客户应正确说明其型号的含义和要求,在供需双方理解一致的条件下签订合同。

4、期货、订货的客户请先来电函详细告诉所需的阀门型号、规格、数量以及交货时间、地点,并按总的30%预定金或全额货款及时汇入我厂账户, 其余货款待发货前汇入,以便及时安排发货。

售中服务:

守信合同,及时供货,随时保持与客户联系。

对特殊或复制的产品,我厂安排技术人员对用户进行产品使用、故障排除

售后服务:

1、“凯时网站”产品品质期为自出厂起12个月,实行三包服务(包退、包换、保修)。

2、产品在使用中我厂定期组织技术、质检人员进行访问,征询用户对产品质量、使用状况、改进意见等方面的反馈,
以便进一步提高产品质量。

3、对用户投诉质量问题,快速作出反应,售后服务人员在24-36小时(省外48小时)赶赴现场。

4、对售后服务,要求用户填写服务后的质量反馈信息表,并作出鉴定意见,以便提高“凯时网站”的服务质量。

声明

  1. 本文中所有文字、数据、图片均只适用于参考,Q41F软密封球阀性能参数、结构尺寸参数、价格等详情,请联系凯时网站,电话:4000-700-665。
  2. 若无说明,本文章均为原创,转载时请注明本文地址,谢谢合作!