J91W/H卡套式针型阀
- 销售:021-32051999
- 销售:021-32050777
- 传真:021-66099555
详情介绍
- 产品介绍
- 服务承诺
- 订货流程
主要性能参数
1. 制造标准:GB/T12224-2005 JB/T7747-1995
2. 连接形式:卡套式
3. 结构特征:锥面密封,活动阀瓣
4. 阀门检验及试验:GB/T13927-1992
5. 公称压力:≤10000Psi
6. 适用工作温度:-40℃~+350℃
7. 适用介质:水,油,气等腐蚀性与非腐蚀性介质
8. 公称通径:DN6,DN10,DN15,DN20,DN25…
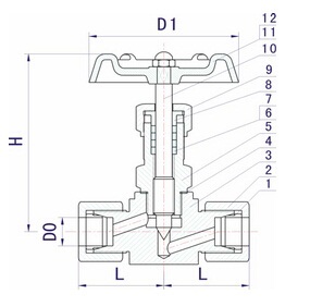
主要零件材料
序号 | 零件名称 | 材质 |
1 | 卡套 | 20# A105 SS304 SS304L SS316 SS316L |
2 | 连接螺母 | 20# A105 SS304 SS304L SS316 SS316L |
3 | 阀体 | 20# A105 SS304 SS304L SS316 SS316L |
4 | 阀盖垫片 | 紫铜PTFE RTFE |
5 | 阀盖 | 20# A105 SS304 SS304L SS316 SS316L |
6 | 填料垫 | PTFE 柔性石墨、金属盘根 |
7 | 填料 | PTFE 柔性石墨 |
8 | 填料压盖 | 20# A105 SS304 SS304L SS316 SS316L |
9 | 锁紧螺母 | 20# A105 SS304 SS304L SS316 SS316L |
10 | 阀杆 | 20# A105 SS304 SS304L SS316 SS316L |
11 | 手轮 | 20# A105 SS304 SS304L SS316 SS316L |
12 | 带帽螺母 | 20# A105 SS304 SS304L SS316 SS316L |

主要外形尺寸
D0 | L | H | D1 |
ø8 | 38 | 92 | ø70 |
ø10 | 38 | 92 | ø70 |
ø12 | 39 | 92 | ø70 |
ø14 | 40 | 94 | ø70 |
ø18 | 42 | 100 | ø80 |
良好的品质、优良的服务 凯时网站为你创造更多价值!
“凯时网站阀门”的期望,不断提升服务质量,精益求精,“真诚的服务”是“凯时网站”永恒的主题。“凯时网站”严格按照IS09001-2000 质量体系认证要求,质量严格把关, 责任到人,确保生产、销售、服务的健康运行。加强与用户沟通,竭诚为广大客户提供优良产品,贴心服务。特此我厂做出以下承诺:
产品标准:
产品严格按照中国GB、HG 标准和美国API等标准设计、制造、验收。密封面硬度达到国家规定要求,宽度超过国家标准。
售前服务:
产品介绍,技术交流,非标产品设计,疑难解答。
售中服务:
守信合同,及时供货,随时保持与客户联系。 对特殊或复制的产品,我厂安排技术人员对用户进行产品使用、故障排除
售后服务:
1、“凯时网站”牌产品品质期为自出厂起12个月,实行“三包”服务(包退、包换、保修)。
2、产品在使用中我厂定期组织技术、质检人员进行访问,征询用户对产品质量、 使用状况、改进意见等方面的反馈, 以便进一步提高产品质量。
3、对用户投诉质量问题,快速作出反应,售后服务人员在24-36小时(省外48小时)赶赴现场。
4、对售后服务,要求用户填写服务后的质量反馈信息表,并作出鉴定意见,以便提高凯时网站的服务质量。
1、客户如对产品有特殊要求,须在订货合同中提供以下说明:
a、结构长度;
b、连接形式;
c、公称直径、全通径、缩径、管道尺寸;
d、运行介质及温度、压力范围;
e、试验、检验标准及其他要求
2、本厂可根据客户特定要求配置各类驱动装置。
3、如由客户提供确定的阀门类型和型号时,客户应正确说明其型号的含义和要求,在供需双方理解一致的条件下签订合同。
4、期货、订货的客户请先来电函详细告诉所需的阀门型号、规格、数量以及交货时间、地点,并按总的30%预定金或全额货款及时汇入我厂帐户,其余货款待发货前汇入,以便及时安排发货。
订单流程:
1、客户采购清单传真至021-33872143,或来电咨询 021-33872141
2、收到客户采购清单,为客户提供阀门型号选型与报价(价格清单)。
3、具体商定:交货期、特殊要求等事宜。
订货须知:
1、客户如对产品有特殊要求,须在订货合同中提供以下说明:
|
|||||
|
|||||
2、本厂可根据客户特定要求配置各类驱动装置。
|
|||||
3、如由客户提供确定的阀门类型和型号时,客户应正确说明其型号的含义和要求,在供需双方理解一致的条件下签订合同。
|
|||||
4、期货、订货的客户请先来电函详细告诉所需的阀门型号、规格、数量以及交货时间、地点,并按总的30%预定金或全额货款及时汇入我厂账户, 其余货款待发货前汇入,以便及时安排发货。
|
售中服务:
守信合同,及时供货,随时保持与客户联系。
对特殊或复制的产品,我厂安排技术人员对用户进行产品使用、故障排除
售后服务:
1、“凯时网站”产品品质期为自出厂起12个月,实行“三包”服务(包退、包换、保修)。
2、产品在使用中我厂定期组织技术、质检人员进行访问,征询用户对产品质量、使用状况、改进意见等方面的反馈,
以便进一步提高产品质量。
3、对用户投诉质量问题,快速作出反应,售后服务人员在24-36小时(省外48小时)赶赴现场。
4、对售后服务,要求用户填写服务后的质量反馈信息表,并作出鉴定意见,以便提高“凯时网站”的服务质量。
声明 |
|