J41B氨用法兰截止阀
- 销售:021-32051999
- 销售:021-32050777
- 传真:021-66099555
详情介绍
- 产品介绍
- 服务承诺
- 订货流程
J41B氨用法兰截止阀的密封面采用巴氏合金、四氟、尼龙等。采用耐低温优良碳钢或不锈钢为阀体,使用寿命长。是安装在制冷系统的设备或管路上,用以接通和切断制冷工质流动的通道,在使用过程中遇到温差幅度变动环境下能自然达到化学处理性能。
主要用途
氨用法兰截止阀适于温度-40~+120摄氏度的氨、氨液介质的管路及液化气管路上作启闭作用。主要适用于冷冻、制冷、化工、石油、食品、冶炼、液化气等单位使用。
使用范围
通经范围:DN15~DN300
压力范围:1.6MPa~4.0MPa
温度范围:-40℃~120℃
介质范围:丙烷、炳烯、甲醇、乙烷、煤气、液氨、液化天然气等低温介质
主要零件材料
零件名称 | 阀体、阀盖 | 密封圈 | 填料 | 填料压盖 | 阀杆 | 垫片 |
J41B-25C | 铸钢 | 巴氏合金 | 聚四氟 | 碳钢 | 聚四氟 | |
J41B-25Z | 灰铸铁 | |||||
J41B-25P | 不锈钢 | 不锈钢 | ||||
J41F-25Z | 灰铸铁 | 聚四氟乙烯 | 碳钢 | |||
性能参数
公称压力PN(MPA) | 试验压力PS(MPa) | 适用介质 | 适用温度(℃) | |
2.5 | 3.8 | 氨气、 | 巴氏合金 | 四氟 |
4.0 | 6.4 | |||

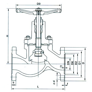
主要外形连接尺寸
公称通径 | 尺 寸(mm) | |||||||||||
L | D | D1 | D2 | D6 | b | f | f1 | Z-φd | 关 | 开 | D0 | |
10 | 130 | 90 | 60 | 40 | 35 | 16 | 2 | 4 | 4-φ14 | 165 | 185 | 110 |
15 | 130 | 95 | 65 | 45 | 40 | 16 | 2 | 4 | 4-φ14 | 165 | 185 | 110 |
20 | 150 | 105 | 75 | 55 | 51 | 18 | 2 | 4 | 4-φ14 | 170 | 200 | 120 |
25 | 160 | 115 | 85 | 65 | 58 | 18 | 2 | 4 | 4-φ14 | 197 | 210 | 120 |
32 | 180 | 135 | 100 | 78 | 66 | 20 | 2 | 4 | 4-φ18 | 199 | 213 | 140 |
40 | 200 | 145 | 110 | 85 | 76 | 20 | 3 | 4 | 4-φ18 | 248 | 264 | 160 |
50 | 230 | 160 | 125 | 100 | 88 | 22 | 3 | 4 | 4-φ18 | 265 | 295 | 180 |
65 | 290 | 180 | 145 | 120 | 110 | 24 | 3 | 4 | 8-φ18 | 310 | 349 | 220 |
80 | 310 | 195 | 160 | 135 | 121 | 26 | 3 | 4 | 8-φ18 | 340 | 357 | 240 |
100 | 350 | 230 | 190 | 160 | 150 | 30 | 3 | 4.5 | 8-φ23 | 380 | 413 | 280 |
125 | 400 | 270 | 220 | 188 | 176 | 32 | 3 | 4.5 | 8-φ25 | 430 | 451 | 320 |
150 | 480 | 300 | 250 | 218 | 204 | 32 | 3 | 4.5 | 8-φ25 | 505 | 492 | 360 |
200 | 600 | 360 | 310 | 278 | 260 | 34 | 3 | 4.5 | 12-φ25 | 550 | 806 | 400 |
250 | 650 | 425 | 370 | 335 | 31 | 36 | 3 | 4.5 | 12-φ30 | 730 | 880 | 450 |
300 | 750 | 485 | 430 | 390 | 364 | 40 | 3 | 4.5 | 16-φ30 | - | 995 | 550 |
良好的品质、优良的服务 凯时网站为你创造更多价值!
“凯时网站阀门”的期望,不断提升服务质量,精益求精,“真诚的服务”是“凯时网站”永恒的主题。“凯时网站”严格按照IS09001-2000 质量体系认证要求,质量严格把关, 责任到人,确保生产、销售、服务的健康运行。加强与用户沟通,竭诚为广大客户提供优良产品,贴心服务。特此我厂做出以下承诺:
产品标准:
产品严格按照中国GB、HG 标准和美国API等标准设计、制造、验收。密封面硬度达到国家规定要求,宽度超过国家标准。
售前服务:
产品介绍,技术交流,非标产品设计,疑难解答。
售中服务:
守信合同,及时供货,随时保持与客户联系。 对特殊或复制的产品,我厂安排技术人员对用户进行产品使用、故障排除
售后服务:
1、“凯时网站”牌产品品质期为自出厂起12个月,实行“三包”服务(包退、包换、保修)。
2、产品在使用中我厂定期组织技术、质检人员进行访问,征询用户对产品质量、 使用状况、改进意见等方面的反馈, 以便进一步提高产品质量。
3、对用户投诉质量问题,快速作出反应,售后服务人员在24-36小时(省外48小时)赶赴现场。
4、对售后服务,要求用户填写服务后的质量反馈信息表,并作出鉴定意见,以便提高凯时网站的服务质量。
1、客户如对产品有特殊要求,须在订货合同中提供以下说明:
a、结构长度;
b、连接形式;
c、公称直径、全通径、缩径、管道尺寸;
d、运行介质及温度、压力范围;
e、试验、检验标准及其他要求
2、本厂可根据客户特定要求配置各类驱动装置。
3、如由客户提供确定的阀门类型和型号时,客户应正确说明其型号的含义和要求,在供需双方理解一致的条件下签订合同。
4、期货、订货的客户请先来电函详细告诉所需的阀门型号、规格、数量以及交货时间、地点,并按总的30%预定金或全额货款及时汇入我厂帐户,其余货款待发货前汇入,以便及时安排发货。
订单流程:
1、客户采购清单传真至021-33872143,或来电咨询 021-33872141
2、收到客户采购清单,为客户提供阀门型号选型与报价(价格清单)。
3、具体商定:交货期、特殊要求等事宜。
订货须知:
1、客户如对产品有特殊要求,须在订货合同中提供以下说明:
|
|||||
|
|||||
2、本厂可根据客户特定要求配置各类驱动装置。
|
|||||
3、如由客户提供确定的阀门类型和型号时,客户应正确说明其型号的含义和要求,在供需双方理解一致的条件下签订合同。
|
|||||
4、期货、订货的客户请先来电函详细告诉所需的阀门型号、规格、数量以及交货时间、地点,并按总的30%预定金或全额货款及时汇入我厂账户, 其余货款待发货前汇入,以便及时安排发货。
|
售中服务:
守信合同,及时供货,随时保持与客户联系。
对特殊或复制的产品,我厂安排技术人员对用户进行产品使用、故障排除
售后服务:
1、“凯时网站”产品品质期为自出厂起12个月,实行“三包”服务(包退、包换、保修)。
2、产品在使用中我厂定期组织技术、质检人员进行访问,征询用户对产品质量、使用状况、改进意见等方面的反馈,
以便进一步提高产品质量。
3、对用户投诉质量问题,快速作出反应,售后服务人员在24-36小时(省外48小时)赶赴现场。
4、对售后服务,要求用户填写服务后的质量反馈信息表,并作出鉴定意见,以便提高“凯时网站”的服务质量。
声明 |
|